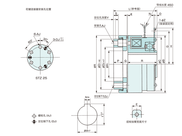
| 型号 | STZ-25 |
|---|---|
| 额定扭矩 Nm | 250 |
| 额定电压 DC-V | 24 |
| 功率 W(at75℃) | 45 |
| 重量 kg | 4.8 |
单位:mm
| 径向 | |
|---|---|
| A | 117.4 |
| A1 | 55 |
| B | 117.4 |
| C | 110 |
| D1 | 103 |
| D2 | 70 |
| E | 16 |
| H | 74 |
| G | 68 |
| 轴向 | ||||
|---|---|---|---|---|
| L | 89.1 | |||
| N | 1.8 | |||
| O | 4.2 | |||
| P | 19 | |||
| Q | 10.4 | |||
| R | 59.7 | |||
| S | 10.4 | |||
| Y | 4 | |||
| Z | 5.5 | |||
| g |
|
|||
| 安装 | |
|---|---|
| 节圆直径 | 86.86 |
| AJ | φ8.8孔、φ14锪孔深度 10 |
| DJ | 10 |
| 轴孔 | |
| d | 40 |
| b | 12 |
| t | 43.5 |
| 电源箱 |
|---|
| DMP-63/24A |
Copyright - SINFONIA TECHNOLOGY CO., LTD. JAPAN All Rights Reserved.