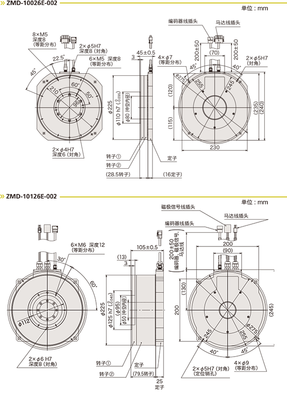
DD马达 外形尺寸图

| 型号 | ZMD-10026E-002 | ZMD-10126E-002 |
|---|---|---|
| 高度(L)(mm) | 45 | 105 |

| 型号 | ZMD-10033E-004 | ZMD-10073E-002 | ZMD-10103-002E |
|---|---|---|---|
| 马达外径(mm) | φ150 | ||
| 高度(L)(mm) | 113 | 143 | 173 |
| 转子(L1)(mm) | 96.5 | 126.5 | 156.5 |

| 型号 | ZM-20A1-001 | ZM-25A1-002 |
|---|---|---|
| 高度(L)(mm) | 120 | 155 |
Copyright - SINFONIA TECHNOLOGY CO., LTD. JAPAN All Rights Reserved.